DZS31-08電磁制動器
電磁盤式制動器DDMZ160
|
各種電磁,液壓,氣動,各種臂盤式制動器,各種電磁,液壓,各種電磁,液壓,氣動,鼓式制動器,各種防風鐵鍥,液壓輪邊,液壓頂軌制動器。并可根據用戶要求設計制造各種非標產品,產品1.該制動器屬于摩擦干式,故使用前應清除油污和雜物,特別是摩擦面間不允許有油污和雜質,以免影響制動性能。2.制動器在初次使用前一定要檢查制動器的工作氣隙,使正常工作氣隙在1mm,如不符合規定則需按氣隙調整方法進行重新調整。廣泛用于起重,礦山,機械冶金,電力,鐵路,水利,港口。 化工,碼頭。本廠已取得國家起重機械質量監督檢驗中心頒發的特種設備型式試驗合格證書。被評為河南省守合同重信用企業,焦作市守合同重信用企業。本廠奉行質量第一。用戶至上的宗旨。想用戶所想,0DLTZ3-05ADLTZ3-08ADLTZ3-15ADLTZ3-30ADLTZ3-40ADLTZ3-80ADLTZ3-150ADLTZ3-200ADLTZ3-300ADLTZ3-450ADZS3-05ADZS3-0。3.摩擦片屬磨損件,一般3個月應檢查一次使用情況,當磨損量過大使工作氣隙超過時,需按氣隙調整方法調整氣隙,否則制動器失效,甚至容易2、性能參數:
|
|
電磁盤式制動器DDMZ1603、安裝: |
||||||||||||||||||||||||||||||||||||||||||||||||||||||||||||||||||||||||||||||||||||||||||||||||||||||||||||||||||||||||||||||||||||||||||||
|
安裝注意事項 |
||||||||||||||||||||||||||||||||||||||||||||||||||||||||||||||||||||||||||||||||||||||||||||||||||||||||||||||||||||||||||||||||||||||||||||
|
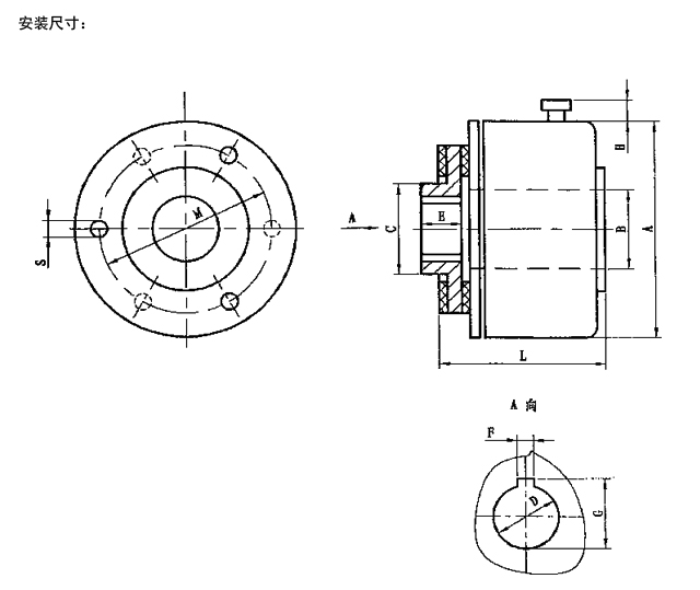
4、外形及安裝尺寸: |
||||||||||||||||||||||||||||||||||||||||||||||||||||||||||||||||||||||||||||||||||||||||||||||||||||||||||||||||||||||||||||||||||||||||||||
|
|
||||||||||||||||||||||||||||||||||||||||||||||||||||||||||||||||||||||||||||||||||||||||||||||||||||||||||||||||||||||||||||||||||||||||||||
|
|
電磁盤式制動器DDMZ160 |
|
|
h |
H1 |
H2 |
H3 |
H4 |
H5 |
H6 |
L |
δ |
β |
|
YMDZ-05 |
16.2 |
47 |
2 |
21 |
120 |
60 |
25 |
20 |
0.3 |
120 |
|
YMDZ-08 |
21.6 |
55 |
3 |
21 |
135 |
75 |
25 |
20 |
0.3 |
120 |
|
YMDZ-15 |
28.1 |
60 |
3 |
24 |
140 |
80 |
25 |
25 |
0.4 |
100 |
|
YMDZ-30 |
32.8 |
61 |
3 |
24.5 |
150 |
90 |
250 |
30 |
0.4 |
100 |
|
YMDZ-40 |
32.8 |
63 |
3 |
25 |
180 |
102 |
32 |
30 |
0.5 |
80 |
|
YMDZ-75 |
42.8 |
75 |
3 |
29 |
195 |
112 |
32 |
30 |
0.5 |
80 |
|
YMDZ-150 |
47.8 |
88 |
3.5 |
34 |
275 |
133 |
32 |
35 |
0.6 |
80 |
|
YMDZ-200 |
57.3 |
80 |
3.5 |
|
|
|
|
40 |
0.6 |
|
|
YMDZ-300 |
63.4 |
95 |
3.5 |
|
|
|
|
50 |
0.8 |
|
|
YMDZ-450 |
69.4 |
100 |
3.5 |
|
|
|
|
56 |
0.8 |
|
|
YMDZ-600 |
69.4 |
110 |
4 |
|
|
|
|
56 |
0.8 |
|
|
YMDZ-750 |
72.4 |
120 |
4 |
|
|
|
|
62 |
1.0 |
|
|
YMDZ-2000 |
85.4 |
130 |
7.5 |
|
|
|
|
62 |
1.0 |
|
|
|
|
5、安裝示意圖 |
|
電磁盤式制動器DDMZ80
|
2、性能參數:
|
電磁盤式制動器DDMZ80
|
3、安裝: |
|
安裝注意事項 |
|
4、外形及安裝尺寸: |
|
|
|
電磁盤式制動器DDMZ80
|
|
h |
H1 |
H2 |
H3 |
H4 |
H5 |
H6 |
L |
δ |
β |
|
YMDZ-05 |
16.2 |
47 |
2 |
21 |
120 |
60 |
25 |
20 |
0.3 |
120 |
|
YMDZ-08 |
21.6 |
55 |
3 |
21 |
135 |
75 |
25 |
20 |
0.3 |
120 |
|
YMDZ-15 |
28.1 |
60 |
3 |
24 |
140 |
80 |
25 |
25 |
0.4 |
100 |
|
YMDZ-30 |
32.8 |
61 |
3 |
24.5 |
150 |
90 |
250 |
30 |
0.4 |
100 |
|
YMDZ-40 |
32.8 |
63 |
3 |
25 |
180 |
102 |
32 |
30 |
0.5 |
80 |
|
YMDZ-75 |
42.8 |
75 |
3 |
29 |
195 |
112 |
32 |
30 |
0.5 |
80 |
|
YMDZ-150 |
47.8 |
88 |
3.5 |
34 |
275 |
133 |
32 |
35 |
0.6 |
80 |
|
YMDZ-200 |
57.3 |
80 |
3.5 |
|
|
|
|
40 |
0.6 |
|
|
YMDZ-300 |
63.4 |
95 |
3.5 |
|
|
|
|
50 |
0.8 |
|
|
YMDZ-450 |
69.4 |
100 |
3.5 |
|
|
|
|
56 |
0.8 |
|
|
YMDZ-600 |
69.4 |
110 |
4 |
|
|
|
|
56 |
0.8 |
|
|
YMDZ-750 |
72.4 |
120 |
4 |
|
|
|
|
62 |
1.0 |
|
|
YMDZ-2000 |
85.4 |
130 |
7.5 |
|
|
|
|
62 |
1.0 |
|
|
|
|
5、安裝示意圖 |
|








