CQP系列氣動鉗盤式制動器
詳細說明
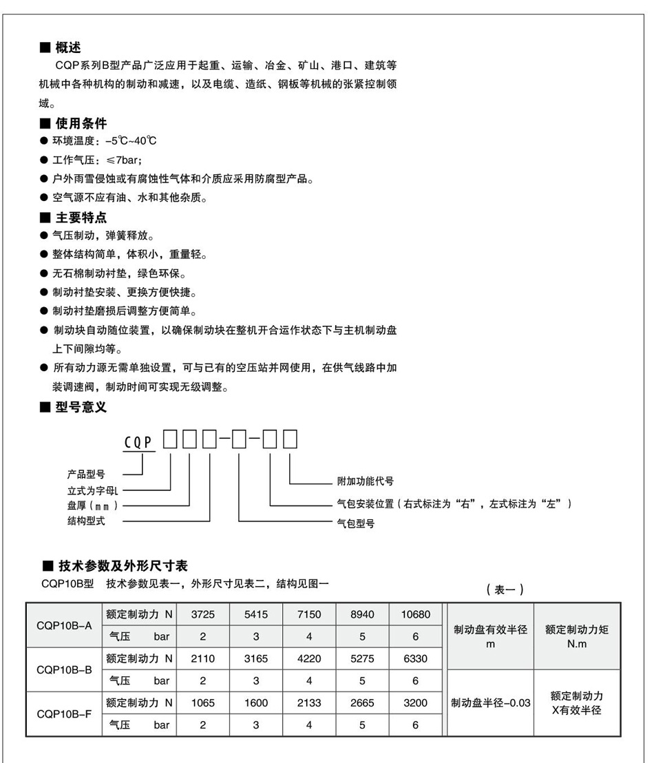
概述: CQP 系列B型產品廣泛應用于起重、運輸、冶金、礦山、港口、建筑等機械中各種機構的制動和減速,以及電纜、造紙、銅板等機械的張緊控制領域。
使用條件:環境溫度: -5℃ - 40℃ 工作氣壓: ≦7bar; 戶外雨雪侵蝕或有腐蝕性氣體和介質應采用防腐型產品。 空氣源不應有油、水和其他雜質。
主要特點:氣壓制動,彈簧釋放。 整體結構簡單,體積小,重量輕。 無石棉制動襯墊,綠色環保。 制動襯墊安裝、更換方便快捷。 制動襯墊磨損后調整方便簡單。 制動塊自動隨位裝置,以確保制動塊在整機開合運作狀態下與主機制動盤上下間隙均等。 所有動力源無需單獨設置,可與已有的空壓站并網使用,在供氣線路中加裝調速閥,制動時間可實現無級調整。
產品詳情



