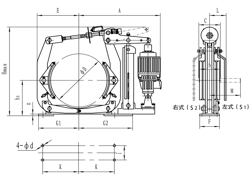
YW-K系列常開式電力液壓鼓式制動器

?應用:
電力液壓鼓式制動器,主要應用于各類通用橋式、門式起重機的大車運行機構的減速制動,也可用于非提升式絞車驅動裝置減速制動。
符合標準
YW-K系列常開式電力液壓鼓式制動器連接尺寸和技術要求符合JB/T6406-2006標準,制動力矩參數符合DIN15435標準,配套符合DIN15430標準的ED推動器;
主要特點
1、性能安全可靠,制動平穩,動作頻率高;
2、主要動鉸點裝有自潤滑軸承,傳動效率高,壽命長,使用過程中無需潤滑;
3、聯鎖式退距均等裝置,可始終保持兩側瓦塊退距均等,完全避免因退距不均使一側制動襯墊浮貼制動輪現象;
4、制動襯墊為卡裝式整體成型結構,更換十分方便、快捷,備有半金屬(無石棉)硬質和半硬質,軟質(含石棉、無石棉)等不同材質的制動襯墊供用戶選擇。
特殊要求
根據用戶要求,可生產各種常開、防爆及非標產品。




